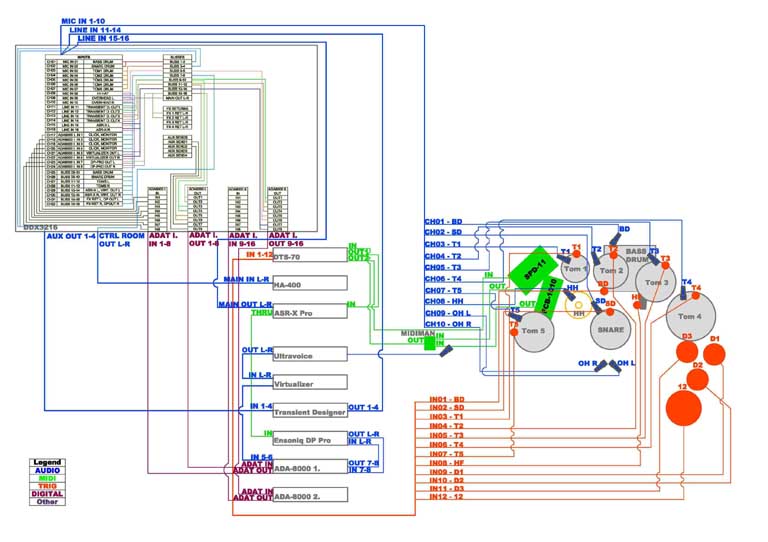
Endre's electronic gear
Endre's electronic gearThe tech info on Endre's electronic equipment can be found here. The following topics are covered: - Drum triggering |
Acoustic drums, cymbals
![]() |
Acoustic drums, cymbalsThe details on Endre's acoustic drums and cymbals can be found here. Read more... |
Tech Riders
![]() |
Tech RidersThe tech riders for the Endre-eNerd, KÁOSZ Központ the 9:30 Collective projects can be found here. Read more... |





